本文来源:QP彩票 acme-photo-screensaver-maker.com
066系列燕尾槽式焊接基座-产品介绍:
• 适配660、664、665系列喷嘴。
• 材质可按照要求加工。
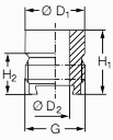
066系列燕尾槽式焊接基座-外形尺寸:

066系列燕尾槽式焊接基座-实物展示:
066系列燕尾槽式焊接基座-订购信息:
订货号: 型号 + 材料号 = 订货号
如: 066.011 + 17 = 066.011.17
上一产品:15475拼合孔连接器
下一产品:065/069系列固定螺母
|
QP彩票 地址:天津空港经济开发区中心大道16号 电话:022-2396 6868 022-2396 1717 E-mail:sanfog@163.com QP彩票Copyright © 2011-2015 http://acme-photo-screensaver-maker.com 版权所有
|
扫码 咨询 |
![]() | |